![米頓羅 機械隔膜泵]隔膜式計量泵GM0050PQ1MNN-上海闊思電子有限公司官網 米頓羅 機械隔膜泵]隔膜式計量泵GM0050PQ1MNN](/system/upload/image/item/20220601/202206010928196011.jpg)



【米頓羅機械隔膜泵】隔膜式計量泵GM0050PQ1MNN
品名:機械隔膜計量泵 型號:GM0050PQ1MNN
液力端材質:PVC 閥球:陶瓷 隔膜材質:PTFE
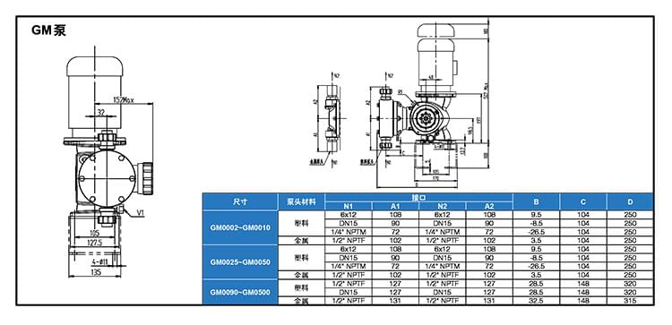
米頓羅GM系列機械隔膜計量泵型號表:
型號 | 流量(L/H) | 沖程頻率/每分鐘 | 壓力(bar) | 電機功率 | 泵頭材質 |
GM0002 | 2.25 | 36 | 12
| 0.25kW | PVC/PVDF/316不銹鋼等 |
GM0005 | 4.5 | 72 | |||
GM0010 | 9 | 144 | |||
GM0025 | 25 | 72 | |||
GM0050 | 50 | 144 | 10 | ||
GM0090 | 85 | 72 | 7 | ||
GM0120 | 115 | 72 | |||
GM0170 | 170 | 144 | |||
GM0240 | 235 | 144 | |||
GM0330 | 315 | 144 | 5 | 0.25kW 0.37kW | |
GM0400 | 400 | 144 | |||
GM0500 | 500 | 180 |
米頓羅GM型機械隔膜計量泵
主要性能參數
? 單頭大流量: 1800L/H | ? 吸入提升高度可達3米水柱 |
? 排出壓力可達: 12bar | ? 大入口壓力為2bar |
? 調節比10:1,穩態精度±2% | ? 允許物料的高溫為40℃ |
米頓羅GM型機械隔膜計量泵主要特征
液力端
? 機械驅動隔膜,物料側無隔膜護盤,便于物料通過
? PVC、PVDF、316SS 、高粘度、漿料等多種泵頭材質,適合各種物料
? 自清洗單向閥結構
驅動端
? 可變偏心機構調節,確保流量脈動平緩變化
? 增強型結構設計,適合苛刻運行環境
? 耐磨球軸承,使工作更穩定
? 油浴潤滑,驅動部件工作壽命長
? 在停機或運行狀態下均可流量調節,調節方式可選手動、電動或變頻
米頓羅GM型機械隔膜計量泵控制方式
電動沖程控制器 : 接受外部控制信號, 調節沖程長度
? 供電電源 :220V-50Hz-單相
? 輸入信號 :4-20mA模擬信號
? 輸出信號 :4-20mA/1-5V模擬信號、供記錄顯示和控制系統使用
馬達控制器 : 以“開/停”方式控制三相電機,調節輸出流量
? 供電電源 :200-240V/50/60Hz/單相
? 控制方式 :可接受4-20mA模擬信號、外部脈沖信號或手動調節
變頻控制器 :接受外部控制信號,調節沖程速度
? 供電電源 :220V-50Hz-單相/380V-50Hz-三相
? 輸入信號 :4-20mA模擬信號
米頓羅GM型機械隔膜計量泵主要應用
市政、 工業水與廢水、 泳池等各種水處理過程。



如有需要請聯系 許士艷:18017122052(微信同號)